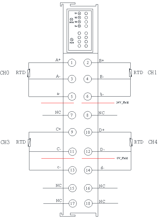
安装与接线


SRE3274接线图


端子说明

端子 说明
A+,A-,a- CH0 热电阻输入端
B+,B-,b- CH1 热电阻输入端
C+,C-,c- CH2 热电阻输入端
D+,D-,d- CH3 热电阻输入端