安装与接线


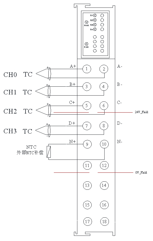
SRE3284接线图


端子说明

端子 说明
A+ A- CH0 热电偶输入端
B+ B- CH1 热电偶输入端
C+ C- CH2 热电偶输入端
D+ D- CH3 热电偶输入端
NTC+ NTC- 外部NTC补偿