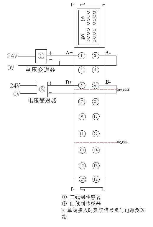
安装与接线


接线图


端子说明

端子 说明
A+,A- CH0采集电压输入端
B+,B- CH1采集电压输入端