| 电机规格 | SM3213-Hx85B15C-xxxxx | SM3213-Hx13C15C-xxxxx | SM3213-Hx18C15C-xxxxx | SM3213-Hx22C15C-xxxxx | ||||
| 额定功率(W) | 850 | 1300 | 1800 | 2200 | ||||
| 额定电压(V) | 220 | 380 | 220 | 380 | 220 | 380 | 220 | 380 |
| 额定电流(A) | 6.9 | 4 | 10.7 | 6 | 13.8 | 8.5 | 14.5 | 11 |
| 额定力矩(N.m) | 5.39 | 5.39 | 8.34 | 8.34 | 11.5 | 11.5 | 14.3 | 14.3 |
| 额定转速(r/min) | 1500 | 1500 | 1500 | 1500 | 1500 | 1500 | 1500 | 1500 |
| 瞬时最大电流(A) | 20.7 | 12 | 32.1 | 18 | 41.4 | 25.5 | 40.6 | 30.7 |
| 瞬时最大力矩(N.m) | 16.17 | 16.17 | 25.02 | 25.02 | 34.5 | 34.5 | 40 | 40 |
| 瞬时最高转速(r/min) | 3000 | 3000 | 3000 | 3000 | 3000 | 3000 | 3000 | 3000 |
| 反电动势(V/1000r/min) | 50 | 85 | 52 | 92 | 52 | 90 | 67 | 90 |
| 力矩系数(N.m/A) | 0.78 | 1.35 | 0.78 | 1.39 | 0.83 | 1.35 | 0.98 | 1.3 |
| 相电阻(Ω) | 0.5 | 1.3 | 0.25 | 0.77 | 0.175 | 0.6 | 0.3 | 0.425 |
| Q轴电感(mH) | 2.5 | 8.1 | 1.6 | 5.25 | 1.25 | 4.15 | 1.75 | 2.8 |
| D轴电感(mH) | 2.5 | 8.1 | 1.6 | 5.25 | 1.25 | 4.15 | 1.75 | 2.8 |
| 电气时间常数(ms) | 5 | 6.2 | 6.4 | 6.8 | 7.14 | 6.9 | 5.8 | 6.5 |
| 转子惯量(kg.m2X10-4) | 10.9 (12.13) | 16.9 (18.13) | 21.4 (22.63) | 27.1 (28.33) | ||||
| 重量(kg) | 5.7 (7.4) | 8.0 (9.1) | 9.3 (11.3) | 10.5 (12.7) | ||||
| 极对数 | 5对极 | |||||||
| 电机绝缘等级 | F | |||||||
| 防护等级 | IP65 | |||||||
| 使用环境 | 环境温度:-20℃-40℃;环境湿度:相对湿度<90%(不结霜条件) | |||||||
| 注:()内为带保持制动器电机的参数。 | ||||||||
转矩特性图:

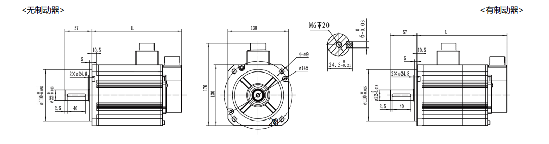
外形尺寸图:
| 外形尺寸图 | 850W | 1300W | 1800W | 2200W |
| L无制动器 | 135 | 152.5 | 170 | 200 |
| L有制动器 | 187 | 204.5 | 222 | 252 |

| 电机规格 | SM3213-Mx10C20C-xxxxx | SM3213-Mx15C20C-xxxxx | SM3213-Mx20C20C-xxxxx | SM3213-Mx30C20C-xxxxx | ||||
| 额定功率(kW) | 1 | 1.5 | 2 | 3 | ||||
| 额定电压(V) | 220 | 380 | 220 | 380 | 220 | 380 | 220 | 380 |
| 额定电流(A) | 5.8 | 3.5 | 8.0 | 4.7 | 10.2 | 6.2 | 16.5 | 11 |
| 额定力矩(N.m) | 4.77 | 4.77 | 7.16 | 7.16 | 9.55 | 9.55 | 14.3 | 14.3 |
| 额定转速(r/min) | 2000 | 2000 | 2000 | 2000 | 2000 | 2000 | 2000 | 2000 |
| 瞬时最大电流(A) | 11.6 | 7 | 16.0 | 9.4 | 20.4 | 12.4 | 33.0 | 22 |
| 瞬时最大力矩(N.m) | 9.6 | 9.6 | 14.32 | 14.32 | 19.1 | 19.1 | 28.6 | 28.6 |
| 瞬时最高转速(r/min) | 3000 | 3000 | 3000 | 3000 | 3000 | 3000 | 3000 | 3000 |
| 反电动势(V/1000r/min) | 53 | 89 | 58.5 | 98 | 60 | 100 | 55 | 89 |
| 力矩系数(N.m/A) | 0.82 | 1.36 | 0.92 | 1.52 | 0.94 | 1.54 | 0.87 | 1.3 |
| 相电阻(Ω) | 0.425 | 1.2 | 0.325 | 0.92 | 0.29 | 0.645 | 0.15 | 0.4 |
| Q轴电感(mH) | 6.25 | 17.75 | 4.75 | 14.75 | 3.75 | 11.75 | 1.585 | 7 |
| D轴电感(mH) | 6.25 | 17.75 | 4.75 | 14.75 | 3.75 | 11.75 | 1.585 | 7 |
| 电气时间常数(ms) | 14.7 | 10.5 | 14.6 | 12 | 12.9 | 12.5 | 10.56 | 16.09 |
| 转子惯量(kg.m2X10-4) | 6.2 (7.41) | 9.16 (10.39) | 12.3 (13.33) | 18.6 (19.83) | ||||
| 重量(kg) | 5.4 (7.4) | 7.1 (9.1) | 8.3 (10.3) | 10.7 (12.7) | ||||
| 极对数 | 5对极 | |||||||
| 电机绝缘等级 | F | |||||||
| 防护等级 | IP65 | |||||||
| 使用环境 | 环境温度:-20℃-40℃;环境湿度:相对湿度<90%(不结霜条件) | |||||||
| 注:()内为带保持制动器电机的参数。 | ||||||||
转矩特性图:

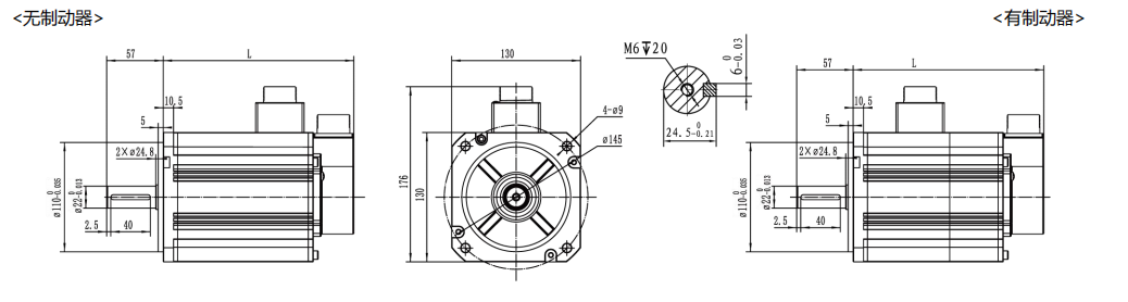
外形尺寸图:
| 外形尺寸图 | 1kW | 1.5kW | 2kW |
| L无制动器 | 135 | 152.5 | 170 |
| L有制动器 | 187 | 204.5 | 222 |
