| 电机规格 | SM3304-HS10B30C-xxxxx | SM3306-HS20B30C-xxxxx | SM3306-HS40B30C-xxxxx | SM3308-HS75B30C-xxxxx | SM3308-HS10C30C-xxxxx |
| 额定功率(W) | 100 | 200 | 400 | 750 | 1000 |
| 额定电压(V) | 220 | 220 | 220 | 220 | 220 |
| 额定电流(A) | 0.98 | 1.3 | 2.6 | 4.6 | 6.3 |
| 额定力矩(N.m) | 0.32 | 0.64 | 1.27 | 2.39 | 3.18 |
| 额定转速(r/min) | 3000 | 3000 | 3000 | 3000 | 3000 |
| 瞬时最大电流(A) | 3.9 | 4.4 | 8.6 | 16.3 | 20.9 |
| 瞬时最大力矩(N.m) | 1.12 | 2.23 | 4.445 | 8.36 | 11.13 |
| 瞬时最高转速(r/min) | 6000 | 6000 | 6000 | 6000 | 6000 |
| 反电动势(V/1000r/min) | 20 | 31.98 | 34.09 | 34.4 | 33.9 |
| 力矩系数(N.m/A) | 0.327 | 0.492 | 0.49 | 0.52 | 0.505 |
| 相电阻(Ω) | 13.186 | 8.286 | 3.33 | 0.936 | 0.638 |
| Q轴电感 (mH) | 7.81 | 9.35 | 5.09 | 2.8 | 2.04 |
| D轴电感 (mH) | 5.39 | 7.8 | 4.13 | 2.25 | 1.675 |
| 电气时间常数(ms) | 1.01 | 2.07 | 2.77 | 5.4 | 11.646 |
| 转子惯量(kg.m2X10-4) | 0.031(0.034) | 0.34(0.35) | 0.59(0.60) | 1.72(1.77) | 2.23(2.28) |
| 重量(kg) | 0.36(0.55) | 0.8(1.17) | 1.14(1.51) | 2.15(2.83) | 2.59(3.27) |
| 极对数 | 5 | ||||
| 电机绝缘等级 | F | ||||
| 防护等级 | IP67带油封(轴端安装油封) | ||||
| 使用环境 | 环境温度:0~40℃(不冻结);环境湿度:20%~80%RH (不结露) | ||||
| 注:()内为带保持制动器电机的参数。 | |||||
转矩特性图:

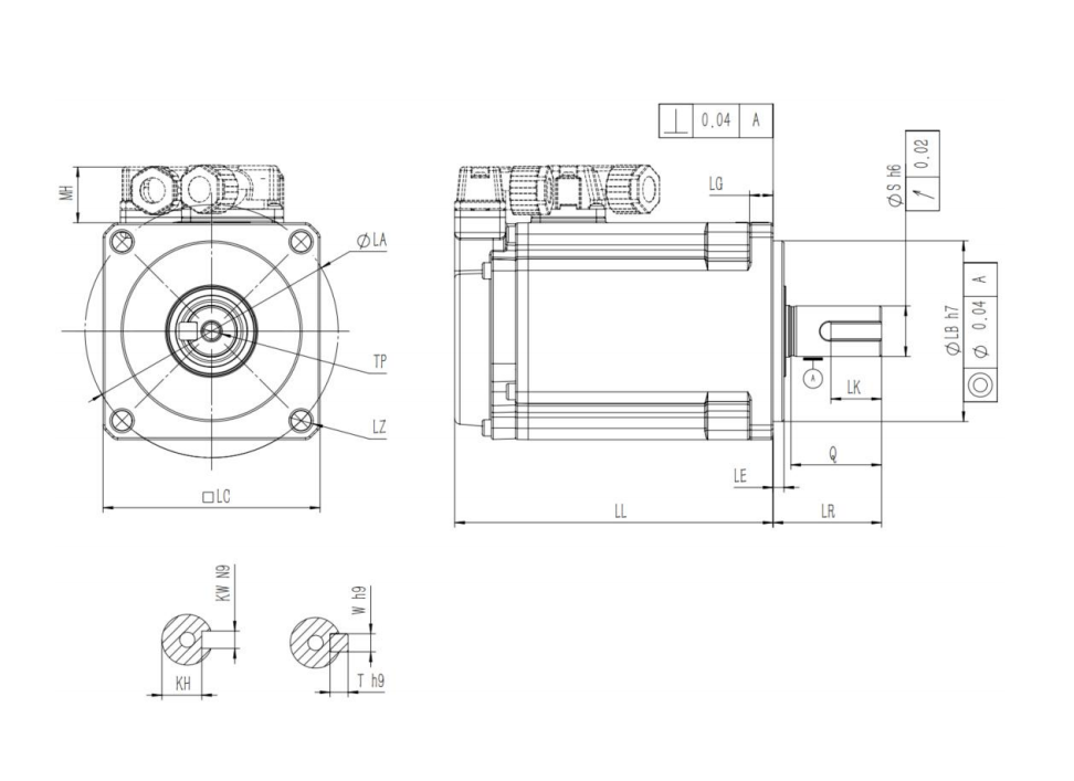
外形尺寸图:
| 型号 | LC | LL | LR | LA | LZ | MH | LG | LE | Q |
| SM3304-HS10B30C-xxxxx | 40 | 73.4 (100.1) |
25 | 46 | 4.3 | 16.8 | 5.5 | 3 | 20 |
| SM3306-HS20B30C-xxxxx | 60 | 70.5 (99.7) |
30 | 70 | 5.5 | 15.8 | 6.5 | 3 | 25.5 |
| SM3306-HS40B30C-xxxxx | 60 | 88 (117.2) |
30 | 70 | 5.5 | 15.8 | 6.5 | 3 | 25.5 |
| SM3308-HS75B30C-xxxxx | 80 | 94.4 (128.6) |
35 | 90 | 6.4 | 15.5 | 8 | 3 | 30.2 |
| SM3308-HS10C30C-xxxxx | 80 | 107.9 (142.1) |
35 | 90 | 6.4 | 15.5 | 8 | 3 | 30.2 |
| 注:()内为带保持制动器电机的参数。 | |||||||||
| 型号 | LB | S | TP | LK | KH | KW | W | T | |
| SM3304-HS10B30C-xxxxx | 30 | 8 | M3 深7 | 14 | 6.2 | 3 | 3 | 3 | |
| SM3306-HS20B30C-xxxxx | 50 | 14 | M5 深10 | 14 | 10.5 | 5 | 5 | 5 | |
| SM3306-HS40B30C-xxxxx | 50 | 14 | M5 深10 | 14 | 10.5 | 5 | 5 | 5 | |
| SM3308-HS75B30C-xxxxx | 70 | 19 | M6 深12 | 22 | 15 | 6 | 6 | 6 | |
| SM3308-HS10C30C-xxxxx | 70 | 19 | M6 深12 | 22 | 15 | 6 | 6 | 6 | |
外形尺寸图:
