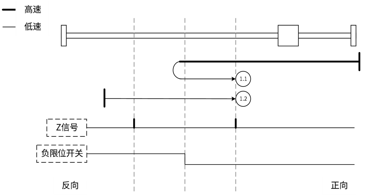
| 功能码 | 名称 | 设定范围 | 功能 | 设定方式 | 生效时间 | 出厂设定 | |
|
P13 |
44 |
原点复归使能 |
0:关闭原点复归功能 1:通过DI使能原点复归功能 2:立即进行原点复归 3:以当前位置为原点 |
设置原点复归模式及触发信号来源 |
运行设定 |
立即生效 |
0 |
|
P13 |
45 |
原点复归模式 |
(-1): 反向回零,减速点为机械极限位置,原点为电机Z信号,遇到Z信号前必须先遇到机械极限位置 (-2): 正向回零,减速点为机械极限位置,原点为电机Z信号,遇到Z信号前必须先遇到机械极限位置 1: 反向回零,减速点为反向限位开关,原点为电机Z信号,遇到Z信号前必须先遇到反向限位下降沿 2: 正向回零,减速点为正向限位开关,原点为电机Z信号,遇到Z信号前必须先遇到正向限位下降沿 3: 正向回零,减速点为原点开关,原点为电机Z信号,遇到Z信号前必须先遇到原点开关同一侧下降沿 4: 正向回零,减速点为原点开关,原点为电机Z信号,遇到Z信号前必须先遇到原点开关同一侧上升沿 5: 反向回零,减速点为原点开关,原点为电机Z信号,遇到Z信号前必须先遇到原点开关同一侧下降沿 6: 反向回零,减速点为原点开关,原点为电机Z信号,遇到Z信号前必须先遇到原点开关同一侧上升沿 7: 正向回零,减速点为原点开关,原点为电机Z信号,遇到Z信号前必须先遇到原点开关同一侧下降沿 8: 正向回零,减速点为原点开关,原点为电机Z信号,遇到Z信号前必须先遇到原点开关同一侧上升沿 9: 正向回零,减速点为原点开关,原点为电机Z信号,遇到Z信号前必须先遇到原点开关另一侧上升沿 10: 正向回零,减速点为原点开关,原点为电机Z信号,遇到Z信号前必须先遇到原点开关另一侧下降沿 11: 反向回零,减速点为原点开关,原点为电机Z信号,遇到Z信号前必须先遇到原点开关同一侧下降沿 12: 反向回零,减速点为原点开关,原点为电机Z信号,遇到Z信号前必须先遇到原点开关同一侧上升沿 13: 反向回零,减速点为原点开关,原点为原点开关另一侧电机Z信号,遇到Z信号前必须先遇到原点开关另一侧上升沿 14: 正向回零,减速点为原点开关,原点为原点开关另一侧电机Z信号,遇到Z信号前必须先遇到原点开关另一侧下降沿 15~16: 保留 17~32: 与1~14相似,但减速点与原点重合 33: 反向回零,原点为电机Z信号 34:正向回零,原点为电机Z信号 35:以当前位置为原点 |
设置原点回零时回零方向、减速点、原点 |
停机设定 |
立即生效 |
1 |
若减速点信号有效后,在未充分减速情况下使得原点信号有效,则有可能导致最终定位不稳。应充分考虑减速所需的位移,再设置减速点和原点信号输入位置。搜索原点时的加减速度(P13.48)也会对定位稳定度造成影响,因此设置时应予以考虑。
| 功能码 | 名称 | 设定范围 | 单位 | 功能 | 设定方式 | 生效时间 | 出厂设定 | |
| P13 | 46 | 原点高速搜索速度 | 0~3000 | rpm | 设定原点回零时,搜索减速点信号的高速速度值。 | 停机设定 | 立即生效 | 60 |
| P13 | 47 | 原点低速搜索速度 | 0~1000 | rpm | 设定原点回零时,搜索原点时的低速速度值。速度设定值应低到防止停机时造成机械冲击。 | 停机设定 | 立即生效 | 10 |
| P13 | 48 | 原点回归加减速度 | 0~1000 | rpm/s | 设定原点复归时电机从0匀变速到1000rpm的加速度。 | 停机设定 | 立即生效 | 1000 |
| P13 | 49 | 原点查找时间 | 0~655.35 | s | 限定原点复归总时间,超时则发生警告A.425.0(原点回零失败)。 | 停机设定 | 立即生效 | 500.00 |
| P13 | 51 | 原点机械偏移量 | -1073741824~1073741824 | 指令单位 | 设置原点复归后电机绝对位置(P09.49)数值。 | 停机设定 | 立即生效 | 0 |
| 编码 | 功能名 | 功能 | ||||||
| FunIN.11 | 原点开关 | 有效,当前位置为原点;
|
||||||
| FunIN.12 | 回零使能 | 有效,使能原点复归功能,原点复归运行过程中,反复使能无效;无效,禁止原点复归功能。 | ||||||
| FunOut.14 | 回零完成 | 有效,位置控制时,原点回零完成。无效,原点回零未完成。 |
P13.44=0
P13.44=1

P13.44=2
上电后将伺服使能信号置为有效,立即进行原点复归;
原点复归正在进行期间,伺服使能信号置为无效,伺服电机停止转动,重新将伺服使能信号置为有效,可重新触发原点复归;
发生原点回零失败(A.425.0),P13.44被置为0,伺服电机停止转动,将伺服使能信号置为无效可复位A.425.0;原点复归完成后,P13.44=0;若要重新进行原点复归,必须重新设定P13.44;
原点复归模式1
| 运动框图 | ![]() |
|||||||
| 定位信号 |
|
|||||||
| 方式1 | 动作描述 | |||||||
注:不同的初始条件,动作不同
|
||||||||
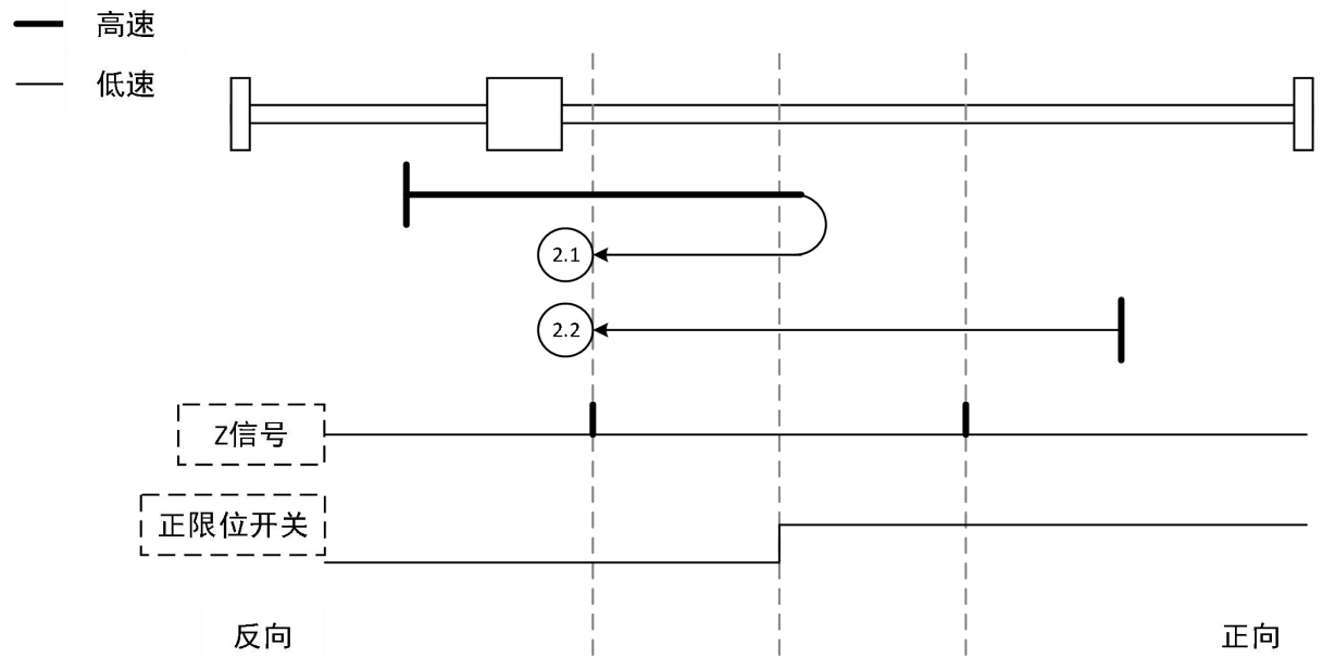
原点复归模式2
| 运动框图 | ![]() |
|||||
| 定位信号 |
|
|||||
| 方式2 | 动作描述 | |||||
注:不同的初始条件,动作不同
|
||||||
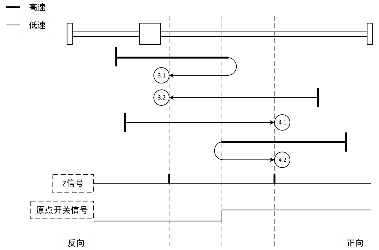
原点复归模式3-4
| 运动框图 | ![]() |
|||||
| 定位信号 |
|
|||||
| 方式3 | 动作描述 | |||||
注:不同的初始条件,动作不同
|
||||||
| 方式4 | 动作描述 | |||||
注:不同的初始条件,动作不同
|
||||||
原点复归模式5-6
| 运动框图 | ![]() |
|||||
| 定位信号 |
|
|||||
| 方式5 | 动作描述 | |||||
注:不同的初始条件,动作不同
|
||||||
| 方式6 | 动作描述 | |||||
注:不同的初始条件,动作不同
|
||||||
原点复归模式7-10
| 运动框图 | ![]() |
|||||||
| 定位信号 |
|
|||||||
| 方式7 | 动作描述 | |||||||
注:不同的初始条件,动作不同
|
||||||||
| 方式8 | 动作描述 | |||||||
注:不同的初始条件,动作不同
|
||||||||
| 方式9 | 动作描述 | |||||||
注:不同的初始条件,动作不同
|
||||||||
| 方式10 | 动作描述 | |||||||
注:不同的初始条件,动作不同
|
||||||||
原点复归模式11-14
| 运动框图 | ![]() |
|||||||
| 定位信号 |
|
|||||||
| 方式11 | 动作描述 | |||||||
注:不同的初始条件,动作不同
|
||||||||
| 方式12 | 动作描述 | |||||||
注:不同的初始条件,动作不同
|
||||||||
| 方式13 | 动作描述 | |||||||
注:不同的初始条件,动作不同
|
||||||||
| 方式14 | 动作描述 | |||||||
注:不同的初始条件,动作不同
|
||||||||
方式15-16:保留;
注意,方式17-30与1-14方式相似,区别就是不在依靠Z相信号作为原点,具体如下。
原点复归模式17
| 运动框图 | ![]() |
|||||
| 定位信号 |
|
|||||
| 方式17 | 动作描述 | |||||
注:不同的初始条件,动作不同
|
||||||
原点复归模式18
| 运动框图 | ![]() |
|||||
| 定位信号 |
|
|||||
| 方式18 | 动作描述 | |||||
注:不同的初始条件,动作不同
|
||||||
原点复归模式19-20
|
运动 框图 |
|
|||||
|
定位信号 |
|
|||||
|
方式19 |
动作描述 |
|||||
|
注:不同的初始条件,动作不同
|
||||||
|
方式20 |
动作描述 |
|||||
|
注:不同的初始条件,动作不同
|
||||||
原点复归模式21-22
| 运动框图 | ![]() |
|||||
| 定位信号 |
|
|||||
| 方式21 | 动作描述 | |||||
注:不同的初始条件,动作不同
|
||||||
| 方式22 | 动作描述 | |||||
注:不同的初始条件,动作不同
|
||||||
原点复归模式23-26
| 运动框图 | ![]() |
|||||||
| 定位信号 |
|
|||||||
| 方式23 | 动作描述 | |||||||
注:不同的初始条件,动作不同
|
||||||||
| 方式24 | 动作描述 | |||||||
注:不同的初始条件,动作不同
|
||||||||
| 方式25 | 动作描述 | |||||||
注:不同的初始条件,动作不同
|
||||||||
| 方式26 | 动作描述 | |||||||
注:不同的初始条件,动作不同
|
||||||||
原点复归模式27-30
| 运动框图 | ![]() |
|||||||
| 定位信号 |
|
|||||||
| 方式27 | 动作描述 | |||||||
注:不同的初始条件,动作不同
|
||||||||
| 方式28 | 动作描述 | |||||||
注:不同的初始条件,动作不同
|
||||||||
| 方式29 | 动作描述 | |||||||
注:不同的初始条件,动作不同
|
||||||||
| 方式30 | 动作描述 | |||||||
注:不同的初始条件,动作不同
|
||||||||
方式31-32:保留
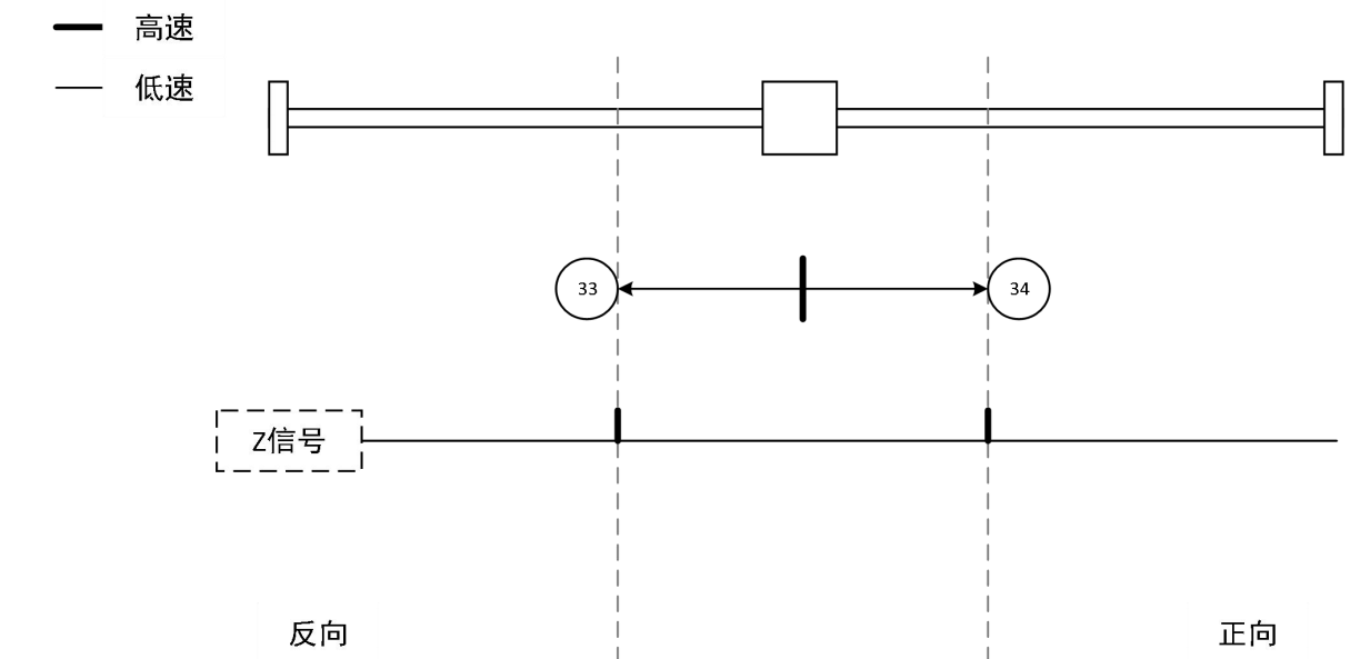
原点复归模式33-34
| 运动框图 | ![]() |
|||||
| 定位信号 |
|
|||||
| 方式33 | 动作描述 | |||||
| 33-反向低速运行,遇到第一个Z相信号停机 | ||||||
| 方式34 | 动作描述 | |||||
| 34-正向低速运行,遇到第一个Z相信号停机 | ||||||
原点复归模式35
| 运动框图 | ![]() |
|||||
| 定位信号 |
|
|||||
| 方式35 | 动作描述 | |||||
| 35-以当前位置为原点 | ||||||
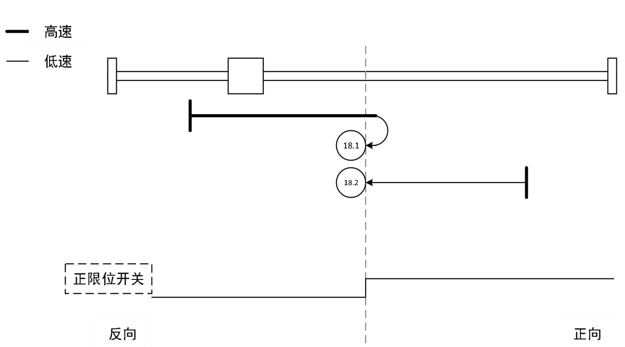
原点复归模式 -1
| 运动框图 | ![]() |
|||||
| 定位信号 |
|
|||||
| 方式-1 | 动作描述 | |||||
| -1 :电机首先反向高速运行,撞到机械极限位置后,如果转矩达到转矩限制值,速度在零速附近,且此状态如果保持一定时间,判断为轴到达机械极限位置,电机正向低速运行,之后遇到第一个Z相信号停机。 | ||||||
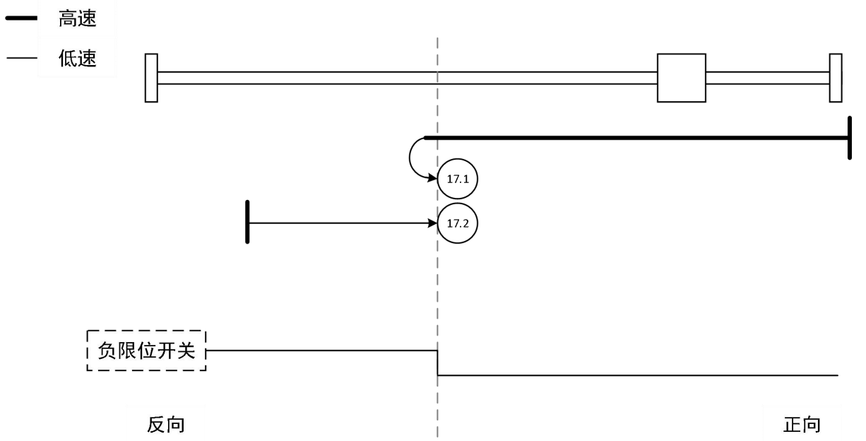
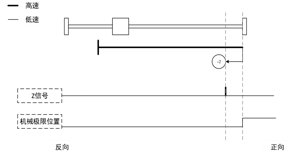
原点复归模式-2
| 运动框图 | ![]() |
|||||
| 定位信号 |
|
|||||
| 方式-2 | 动作描述 | |||||
| -2 :电机首先正向高速运行,撞到机械极限位置后,如果转矩达到转矩限制值,速度在零速附近,且此状态如果保持一定时间,判断为到达机械极限位置,电机反向低速运行,之后遇到第一个Z相信号停机。 | ||||||