线缆和布线要求
动力线缆要求
为了满足CE标志EMC 的要求,电机动力电缆必须采用带有屏蔽层的屏蔽线缆,且屏蔽层要接地良好。屏蔽线缆有三根相导体的屏蔽线缆和四根相导体的屏蔽线缆,如果屏蔽层的导电性能不能满足要求,再外加一根单独的PE线。或采用四根相导体的屏蔽线缆,其中一根为PE线。为了有效抑制射频干扰的发射和传导,屏蔽线的屏蔽层由同轴的铜编织带组成。为了增加屏蔽效能和导电性能,屏蔽层的编织密度应大于90%。
推荐如下图所示动力线缆类型——对称屏蔽线缆:

伺服驱动器的主回路输入/输出侧线缆的屏蔽层与驱动器上的PE端子共同接地(请参照下图进行接线)。

伺服驱动器的输出侧线缆选用时还需注意以下事项:
- 不可连接电容器或浪涌吸收器,否则会引起伺服驱动器经常保护甚至损坏;
- 电机线缆过长时,由于分布电容的影响,易产生电气谐振,从而引起电机绝缘破坏或产生较大漏电流使伺服驱动器过流保护;电机线缆长度大于100m时,须在伺服驱动器附近加装交流输出电抗器;
- 输出电机线缆推荐使用屏蔽线,屏蔽层需要用线缆屏蔽层接地支架在结构上做360°搭接,并将屏蔽层引出线压接到PE端子;
- 电机线缆屏蔽层引出线应尽量短,且宽度b≥1/5·a

USB电缆要求
- 驱动器侧的连接器,请使用市面出售的符合电脑规格的USB mini-B;
- 使用带屏蔽的USB线缆;
- 使用无滤波措施的电缆时,请在电缆两端安装信号铁氧体磁环。
线缆布置要求
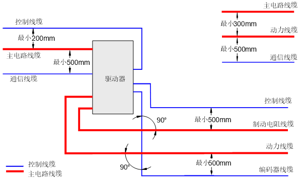
线缆走线需要注意以下事项,并推荐使用走线形式和布置间距:
- 电机线缆的走线一定要远离其他线缆的走线。几个驱动器的电机线缆可以并排布线;
- 建议将电机线缆、输入动力线缆和控制线缆及编码器线缆分别布在不同的线槽中。为了避免由于驱动器输出电压快速变化产生的电磁干扰,应该避免电机线缆和其他线缆的长距离并排走线;
- 当控制线缆必须穿过动力线缆时,要保证两种线缆之间的夹角尽可能保持90 度。不要将其他线缆穿过驱动器;
- 驱动器的动力输入和输出线及弱电信号线(如控制线路)尽量不要平行布置,有条件时垂直布置;
- 线缆线槽之间必须保持良好的连接,并且接地良好。铝制线槽可用于改善等电位。
