主电路配线说明
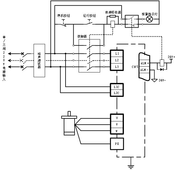
SIZE A主电路配线示例

- 请勿将电源输入(L1,L2,L3)接入到电机用输出端子(U,V,W);
- 电机输出端子(U,V,W)接线与电机(U,V,W)一致,不能错序;
- 请勿将电源线和信号线布线在一起,两者之间需保持30cm以上间距;
- 请勿频繁开关伺服供电电源,否则会引起伺服内部频繁地对电容充电,预充电路负荷过大,造成性能下降。开关频次请控制在每分钟1次以下;
- 伺服断电后,内部仍可能有残余高压,在电源关闭15分钟后,并待电源指示灯熄灭后,才可进行接线等操作。
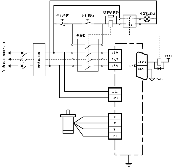
SIZE B主电路配线示例

- 请勿将电源输入(L1,L2,L3)接入到电机用输出端子(U,V,W);
- 电机输出端子(U,V,W)接线与电机(U,V,W)一致,不能错序;
- 请勿将电源线和信号线布线在一起,两者之间需保持30cm以上间距;
- 请勿频繁开关伺服供电电源,否则会引起伺服内部频繁地对电容充电,预充电路负荷过大,造成性能下降。开关频次请控制在每分钟1次以下;
- 伺服断电后,内部仍可能有残余高压,在电源关闭15分钟后,并待电源指示灯熄灭后,才可进行接线等操作。
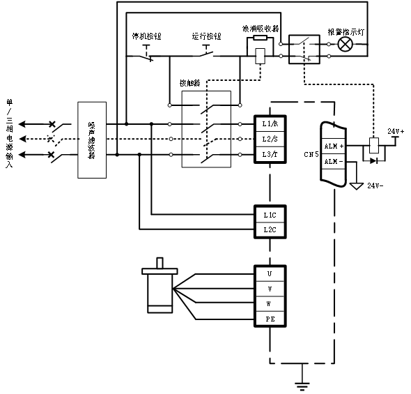
SIZE C主电路配线示例

- 请勿将电源输入(L1/R,L2/S,L3/T)接入到电机用输出端子(U,V,W);
- 电机输出端子(U,V,W)接线与电机(U,V,W)一致,不能错序;
- 请勿将电源线和信号线布线在一起,两者之间需保持30cm以上间距;
- 请勿频繁开关伺服供电电源,否则会引起伺服内部频繁地对电容充电,预充电路负荷过大,造成性能下降。开关频次请控制在每分钟1次以下;
- 伺服断电后,内部仍可能有残余高压,在电源关闭15分钟后,并待电源指示灯熄灭后,才可进行接线等操作。
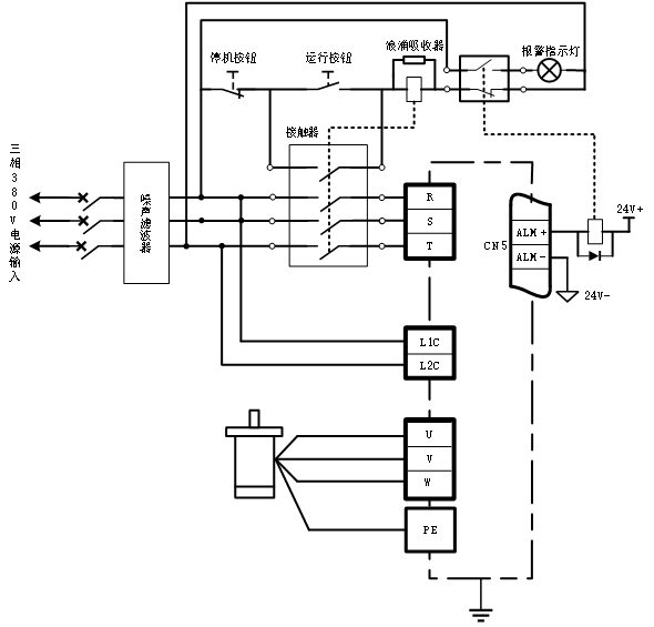
SIZE D主电路配线示例

- 请勿将电源输入(R,S,T)接入到电机用输出端子(U,V,W);
- 电机输出端子(U,V,W)接线与电机(U,V,W)一致,不能错序;
- 请勿将电源线和信号线布线在一起,两者之间需保持30cm以上间距;
- 请勿频繁开关伺服供电电源,否则会引起伺服内部频繁地对电容充电,预充电路负荷过大,造成性能下降。开关频次请控制在每分钟1次以下;
- 伺服断电后,内部仍可能有残余高压,在电源关闭15分钟后,并待电源指示灯熄灭后,才可进行接线等操作。