共直流母线接线说明
共直流母线接线说明
在一些多轴的应用场景中,各个轴的运动状态不同,某些伺服电机工作在制动发电状态时,另外一些伺服电机工作在电动耗能状态。采用共直流母线技术进行能量交互,制动电机产生的能量可以供给电动耗能的电机,而不必通过再生电阻进行耗散,从而达到节能的效果。

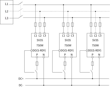
- 只允许同规格驱动器按此方式共母线,不同规格驱动器共母线可能直接烧毁驱动器。伺服的直流母线P、N并接在一起,实现驱动器之间的能量传递;
- 所有驱动器必须采用同一个电源输入,不可使用不同电压、相数的电源,否则可造成驱动器的损坏;
- 所有驱动器必须同时上下电,否则可能造成驱动器的损坏;
- 所有共母线的驱动器电压等级和相序保持一致,否则会可能损坏驱动器,引起火灾;
- 共母线使用时,各驱动器必须全部完成共母线配置后,才允许伺服驱动器运行;
- 驱动器上电后,当驱动器出现S-RDY状态时候,驱动器的DO输出就绪信号,控制继电器吸合,实现共母线连接;
- 驱动器PN连接到母线时,为了避免单台驱动器异常时电流过大,请在母线之间接上快速熔断器。