回零


功能介绍


原点复归模式设置

功能码 名称 设定范围 功能 设定方式 生效时间 出厂设定

P13

44

原点复归使能

0:关闭原点复归功能

1:通过DI使能原点复归功能

2:立即进行原点复归

3:以当前位置为原点

设置原点复归模式及触发信号来源

运行设定

立即生效

0

P13

45

原点复归模式

(-1): 反向回零,减速点为机械极限位置,原点为电机Z信号,遇到Z信号前必须先遇到机械极限位置

(-2): 正向回零,减速点为机械极限位置,原点为电机Z信号,遇到Z信号前必须先遇到机械极限位置

1: 反向回零,减速点为反向限位开关,原点为电机Z信号,遇到Z信号前必须先遇到反向限位下降沿

2: 正向回零,减速点为正向限位开关,原点为电机Z信号,遇到Z信号前必须先遇到正向限位下降沿

3: 正向回零,减速点为原点开关,原点为电机Z信号,遇到Z信号前必须先遇到原点开关同一侧下降沿

4: 正向回零,减速点为原点开关,原点为电机Z信号,遇到Z信号前必须先遇到原点开关同一侧上升沿

5: 反向回零,减速点为原点开关,原点为电机Z信号,遇到Z信号前必须先遇到原点开关同一侧下降沿

6: 反向回零,减速点为原点开关,原点为电机Z信号,遇到Z信号前必须先遇到原点开关同一侧上升沿

7: 正向回零,减速点为原点开关,原点为电机Z信号,遇到Z信号前必须先遇到原点开关同一侧下降沿

8: 正向回零,减速点为原点开关,原点为电机Z信号,遇到Z信号前必须先遇到原点开关同一侧上升沿

9: 正向回零,减速点为原点开关,原点为电机Z信号,遇到Z信号前必须先遇到原点开关另一侧上升沿

10: 正向回零,减速点为原点开关,原点为电机Z信号,遇到Z信号前必须先遇到原点开关另一侧下降沿

11: 反向回零,减速点为原点开关,原点为电机Z信号,遇到Z信号前必须先遇到原点开关同一侧下降沿

12: 反向回零,减速点为原点开关,原点为电机Z信号,遇到Z信号前必须先遇到原点开关同一侧上升沿

13: 反向回零,减速点为原点开关,原点为原点开关另一侧电机Z信号,遇到Z信号前必须先遇到原点开关另一侧上升沿

14: 正向回零,减速点为原点开关,原点为原点开关另一侧电机Z信号,遇到Z信号前必须先遇到原点开关另一侧下降沿

15~16: 保留

17~32: 与1~14相似,但减速点与原点重合

33: 反向回零,原点为电机Z信号

34:正向回零,原点为电机Z信号

35:以当前位置为原点

设置原点回零时回零方向、减速点、原点

停机设定

立即生效

1


原点复归运行曲线设置

若减速点信号有效后,在未充分减速情况下使得原点信号有效,则有可能导致最终定位不稳。应充分考虑减速所需的位移,再设置减速点和原点信号输入位置。搜索原点时的加减速度(P13.48)也会对定位稳定度造成影响,因此设置时应予以考虑。

功能码 名称 设定范围 单位 功能 设定方式 生效时间 出厂设定
P13 46 原点高速搜索速度 0~3000 rpm 设定原点回零时,搜索减速点信号的高速速度值。 停机设定 立即生效 60
P13 47 原点低速搜索速度 0~1000 rpm 设定原点回零时,搜索原点时的低速速度值。速度设定值应低到防止停机时造成机械冲击。 停机设定 立即生效 10
P13 48 原点回归加减速度 0~1000 rpm/s 设定原点复归时电机从0匀变速到1000rpm的加速度。 停机设定 立即生效 1000
P13 49 原点查找时间 0~655.35 s 限定原点复归总时间,超时则发生警告A.425.0(原点回零失败)。 停机设定 立即生效 500.00
P13 51 原点机械偏移量 -1073741824~1073741824 指令单位 设置原点复归后电机绝对位置(P09.49)数值。 停机设定 立即生效 0

编码 功能名 功能
FunIN.11 原点开关 有效,当前位置为原点;
HomeSwitch设置的DI端子逻辑 实际有效电平
0(低电平) 低电平
1(高电平) 高电平
应根据上位机输出,将原点开关对应的DI端子逻辑设置为高/低电平有效。
FunIN.12 回零使能 有效,使能原点复归功能,原点复归运行过程中,反复使能无效;无效,禁止原点复归功能。
FunOut.14 回零完成 有效,位置控制时,原点回零完成。无效,原点回零未完成。


回零复位使能设置

P13.44=0

P13.44=1 

P13.44=2

上电后将伺服使能信号置为有效,立即进行原点复归;
原点复归正在进行期间,伺服使能信号置为无效,伺服电机停止转动,重新将伺服使能信号置为有效,可重新触发原点复归;
发生原点回零失败(A.425.0),P13.44被置为0,伺服电机停止转动,将伺服使能信号置为无效可复位A.425.0;原点复归完成后,P13.44=0;若要重新进行原点复归,必须重新设定P13.44;


原点复归模式介绍

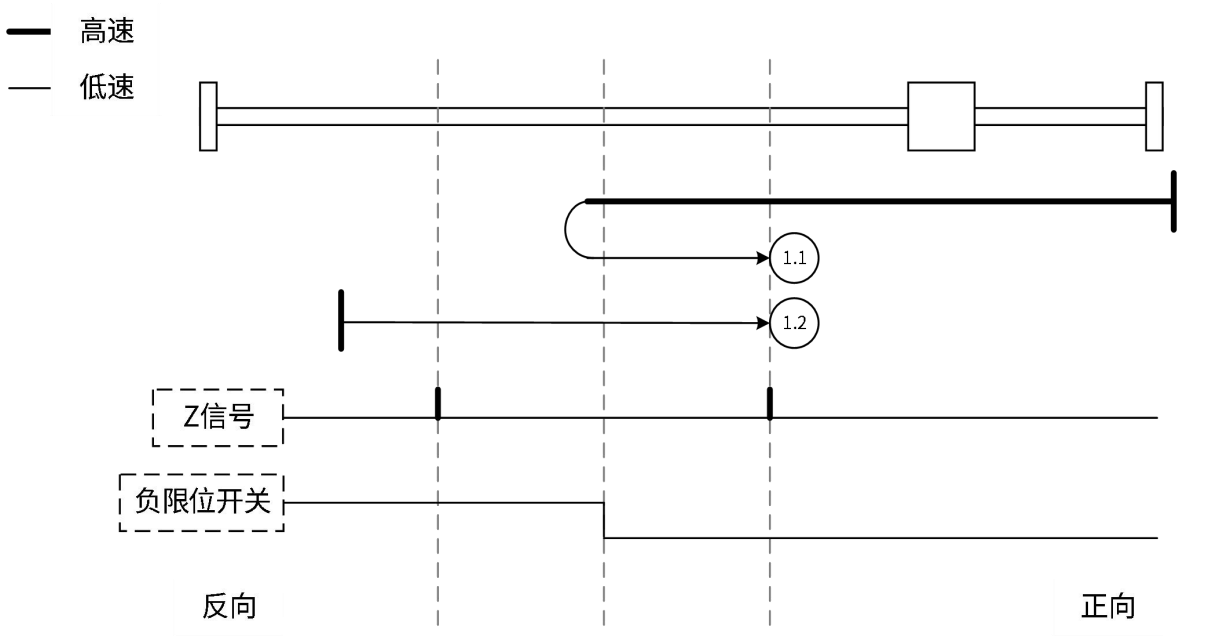
原点复归模式1

运动框图
定位信号
原点 减速点
Z相信号 负向限位开关
方式1 动作描述
  注:不同的初始条件,动作不同
初始条件 回零动作
1.1-回零时减速点无效 开始回零时,反向高速运行,遇到反向限位信号上升沿后,正向低速运行,遇到反向限位信号下降沿后的第一个Z相信号停机
1.2-回零时减速点有效 开始回零时直接开始正向低速回零,遇到反向限位信号下降沿后的第一个Z相信号停机

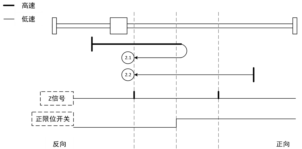
原点复归模式2

运动框图
定位信号
原点 减速点
Z相信号 正向限位开关
方式2 动作描述
注:不同的初始条件,动作不同
初始条件 回零动作
2.1-回零时减速点无效 开始回零时,正向高速运行,遇到正向限位信号上升沿后,反向低速运行,遇到正向限位信号下降沿后的第一个Z相信号停机
2.2-回零时减速点有效 开始回零时直接开始反向低速回零,遇到正向限位信号下降沿后的第一个Z相信号停机

原点复归模式3-4

运动框图
定位信号
原点 减速点
Z相信号 原点开关信号
方式3 动作描述
注:不同的初始条件,动作不同
初始条件 回零动作
3.1-回零时减速点无效 开始回零时,正向高速运行,遇到原点开关信号上升沿后,反向低速运行,遇到原点开关信号下降沿后的第一个Z相信号停机
3.2-回零时减速点有效 开始回零时直接开始反向低速回零,遇到原点开关信号下降沿后的第一个Z相信号停机
方式4 动作描述
注:不同的初始条件,动作不同
初始条件 回零动作
4.1-回零时减速点无效 开始回零时直接开始正向低速回零,遇到原点开关信号上升沿后的第一个Z相信号停机
4.2-回零时减速点有效 开始回零时,反向高速运行,遇到原点开关信号下降沿后,正向低速运行,遇到原点开关信号上升沿后的第一个Z相信号停机

原点复归模式5-6

运动框图
定位信号
原点 减速点
Z相信号 原点开关信号
方式5 动作描述
注:不同的初始条件,动作不同
初始条件 回零动作
5.1-回零时减速点有效 开始回零时直接开始正向低速回零,遇到原点开关信号下降沿后的第一个Z相信号停机
5.2-回零时减速点无效 开始回零时,反向高速运行,遇到原点开关信号上升沿后,正向低速运行,遇到原点开关信号下降沿后的第一个Z相信号停机
方式6 动作描述
注:不同的初始条件,动作不同
初始条件 回零动作
6.1-回零时减速点有效 开始回零时,正向高速运行,遇到原点开关信号下降沿后,反向低速运行,遇到原点开关信号上升沿后的第一个Z相信号停机
6.2-回零时减速点无效 开始回零时直接开始反向低速回零,遇到原点开关信号上升沿后的第一个Z相信号停机

原点复归模式7-10

运动框图
定位信号
原点 减速点
Z相信号 原点开关信号
方式7 动作描述
注:不同的初始条件,动作不同
初始条件 回零动作
7.1-回零时减速点无效,且过程中未遇到正向限位开关 开始回零时,正向高速运行;遇到原点开关信号上升沿后,反向低速运行;遇到原点开关信号下降沿后的第一个Z相信号停机。
7.2-回零时减速点有效 开始回零时,直接开始反向低速回零;遇到原点开关信号下降沿后的第一个Z相信号停机。
7.3-回零时减速点无效,且过程中遇到正向限位开关 开始回零时,正向高速运行;遇到原点开关之前遇到正向限位信号,反向高速运行;遇到原点开关信号上升沿后,继续反向低速运行;遇到原点开关信号下降沿后的第一个Z相信号停机。
方式8 动作描述
注:不同的初始条件,动作不同
初始条件 回零动作
8.1-回零时减速点无效,且过程中未遇到正向限位开关 开始回零时,正向高速运行;遇到原点开关信号上升沿后,反向低速运行;遇到原点开关信号下降沿后,正向低速运行;遇到原点开关信号上升沿后的第一个Z相信号停机。
8.2-回零时减速点有效 开始回零时,反向低速运行;遇到原点开关信号下降沿后,正向低速运行;遇到原点开关信号上升沿后的第一个Z相信号停机。
8.3-回零时减速点无效,且过程中遇到正向限位开关 开始回零时,正向高速运行;遇到原点开关之前遇到正向限位信号,反向高速运行;遇到原点开关信号上升沿后,反向低速运行;遇到原点开关信号下降沿后, 正向低速运行;遇到原点开关信号上升沿后的第一个Z相信号停机。
方式9 动作描述
注:不同的初始条件,动作不同
初始条件 回零动作
9.1-回零时减速点无效,且过程中未遇到正向限位开关 开始回零时,正向高速运行;遇到原点开关信号上升沿后,正向低速运行;遇到原点开关信号下降沿后,反向低速运行;遇到原点开关信号上升沿后的第一个Z相信号停机。
9.2-回零时减速点有效 开始回零时,正向低速运行,遇到原点开关信号下降沿后,反向低速运行,遇到原点开关信号上升沿后的第一个Z相信号停机。
9.3-回零时减速点无效,且过程中遇到正向限位开关 开始回零时,正向高速运行,遇到原点开关之前遇到正向限位信号,反向高速运行;遇到原点开关信号上升沿后,正向低速运行;遇到原点开关信号下降沿后, 反向低速运行;遇到原点开关信号上升沿后的第一个Z相信号停机。
方式10 动作描述
注:不同的初始条件,动作不同
初始条件 回零动作
10.1-回零时减速点无效,且过程中未遇到正向限位开关 开始回零时,正向高速运行;遇到原点开关信号上升沿后,正向低速运行;遇到原点开关信号下降沿后,继续正向低速运行;遇到原点开关信号下降沿后的第一个Z相信号停机。
10.2-回零时减速点有效 开始回零时,正向低速运行;遇到原点开关信号下降沿后,继续正向低速运行;遇到原点开关信号下降沿后的第一个Z相信号停机。
10.3-回零时减速点无效,且过程中遇到正向限位开关 开始回零时,正向高速运行;遇到原点开关之前遇到正向限位信号,反向高速运行;遇到原点开关信号上升沿后,正向低速运行;遇到原点开关信号下降沿后,继续正向低速运行;遇到原点开关信号下降沿后的第一个Z相信号停机。

原点复归模式11-14

运动框图
定位信号
原点 减速点
Z相信号 原点开关信号
方式11 动作描述
注:不同的初始条件,动作不同
初始条件 回零动作
11.1-回零时减速点无效,且过程中未遇到正向限位开关 开始回零时,反向高速运行,遇到原点开关信号上升沿后,正向低速运行,遇到原点开关信号下降沿后的第一个Z相信号停机
11.2-回零时减速点有效 开始回零时直接开始正向低速回零,遇到原点开关信号下降沿后的第一个Z相信号停机
11.3-回零时减速点无效,且过程中遇到反向限位开关 开始回零时,反向高速运行,遇到原点开关之前遇到反向限位信号,正向高速运行,遇到原点开关信号上升沿后,正向低速运行,遇到原点开关信号下降沿后的第一个Z相信号停机
方式12 动作描述
注:不同的初始条件,动作不同
初始条件 回零动作
12.1-回零时减速点无效,且过程中未遇到反向限位开关 开始回零时,反向高速运行,遇到原点开关信号上升沿后,正向低速运行,遇到原点开关信号下降沿后,反向低速运行,遇到原点开关信号上升沿后的第一个Z相信号停机
12.2-回零时减速点有效 开始回零时,正向低速运行,遇到原点开关信号下降沿后,反向低速运行,遇到原点开关信号上升沿后的第一个Z相信号停机
12.3-回零时减速点无效,且过程中遇到反向限位开关 开始回零时,反向高速运行,遇到原点开关之前遇到反向限位信号,正向高速运行,遇到原点开关信号上升沿后,正向低速运行,遇到原点开关信号下降沿后, 反向低速运行,遇到原点开关信号上升沿后的第一个Z相信号停机
方式13 动作描述
注:不同的初始条件,动作不同
初始条件 回零动作
13.1-回零时减速点无效,且过程中未遇到反向限位开关 开始回零时,反向高速运行,遇到原点开关信号上升沿后,反向低速运行,遇到原点开关信号下降沿后,正向低速运行,遇到原点开关信号上升沿后的第一个Z相信号停机
13.2-回零时减速点有效 开始回零时,反向低速运行,遇到原点开关信号下降沿后,正向低速运行,遇到原点开关信号上升沿后的第一个Z相信号停机
13.3-回零时减速点无效,且过程中遇到反向限位开关 开始回零时,反向高速运行,遇到原点开关之前遇到反向限位信号,正向高速运行,遇到原点开关信号上升沿后,反向低速运行,遇到原点开关信号下降沿后, 正向低速运行,遇到原点开关信号上升沿后的第一个Z相信号停机
方式14 动作描述
注:不同的初始条件,动作不同
初始条件 回零动作
14.1-回零时减速点无效,且过程中未遇到反向限位开关 开始回零时,反向高速运行,遇到原点开关信号上升沿后,反向低速运行,遇到原点开关信号下降沿后,继续反向低速运行,遇到原点开关信号下降沿后的第一个Z相信号停机
14.2-回零时减速点有效 开始回零时,反向低速运行,遇到原点开关信号下降沿后,继续反向低速运行,遇到原点开关信号下降沿后的第一个Z相信号停机
14.3-回零时减速点无效,且过程中遇到反向限位开关 开始回零时,反向高速运行,遇到原点开关之前遇到反向限位信号,正向高速运行,遇到原点开关信号上升沿后,反向低速运行,遇到原点开关信号下降沿后,继续反向低速运行,遇到原点开关信号下降沿后的第一个Z相信号停机

 

方式15-16:保留;

注意,方式17-30与1-14方式相似,区别就是不在依靠Z相信号作为原点,具体如下。

原点复归模式17

运动框图
定位信号
原点 减速点
负向限位开关 负向限位开关
方式17 动作描述
注:不同的初始条件,动作不同
初始条件 回零动作
17.1-回零时减速点无效 开始回零时,反向高速运行,遇到反向限位信号上升沿后,正向低速运行,遇到反向限位信号下降沿后停机
17.2-回零时减速点有效 开始回零时直接开始正向低速回零,遇到反向限位信号下降沿后停机

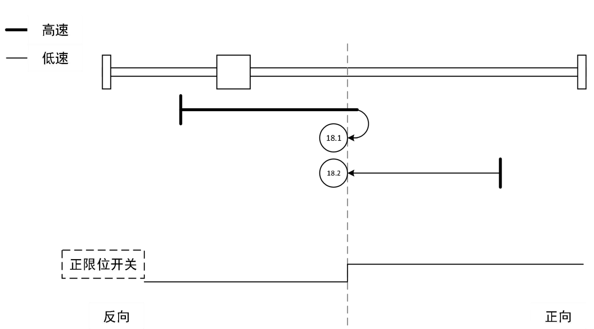
原点复归模式18

运动框图
定位信号
原点 减速点
正向限位开关 正向限位开关
方式18 动作描述
注:不同的初始条件,动作不同
初始条件 回零动作
18.1-回零时减速点无效 开始回零时,正向高速运行,遇到正向限位信号上升沿后,反向低速运行,遇到正向限位信号下降沿后停机
18.2-回零时减速点有效 开始回零时直接开始反向低速回零,遇到正向限位信号下降沿后停机

 

原点复归模式19-20

运动

框图

定位信号

原点

减速点

原点开关信号

原点开关信号

 

方式19

动作描述

注:不同的初始条件,动作不同

初始条件

回零动作

19.1-回零时减速点无效

开始回零时,正向高速运行,

遇到原点开关信号上升沿后,反向低速运行,

遇到原点开关信号下降沿后停机

19.2-回零时减速点有效

开始回零时直接开始反向低速回零,

遇到原点开关信号下降沿后停机

 

方式20

动作描述

注:不同的初始条件,动作不同

初始条件

回零动作

20.1-回零时减速点无效

开始回零时直接开始正向低速回零,

遇到原点开关信号上升沿后停机

20.2-回零时减速点有效

开始回零时,反向高速运行,

遇到原点开关信号下降沿后,正向低速运行,

遇到原点开关信号上升沿停机

 

原点复归模式21-22

运动框图
定位信号
原点 减速点
原点开关信号 原点开关信号
方式21 动作描述
注:不同的初始条件,动作不同
初始条件 回零动作
21.1-回零时减速点有效 开始回零时直接开始正向低速回零,遇到原点开关信号下降沿后停机
21.2-回零时减速点无效 开始回零时,反向高速运行,遇到原点开关信号上升沿后,正向低速运行,遇到原点开关信号下降沿后停机
方式22 动作描述
注:不同的初始条件,动作不同
初始条件 回零动作
22.1-回零时减速点有效 开始回零时,正向高速运行,遇到原点开关信号下降沿后,反向低速运行,遇到原点开关信号上升沿后停机
22.2-回零时减速点无效 开始回零时直接开始反向低速回零,遇到原点开关信号上升沿停机

原点复归模式23-26

运动框图
定位信号
原点 减速点
原点开关信号 原点开关信号
方式23 动作描述
注:不同的初始条件,动作不同
初始条件 回零动作
23.1-回零时减速点无效,且过程中未遇到正向限位开关 开始回零时,正向高速运行,遇到原点开关信号上升沿后,反向低速运行,遇到原点开关信号下降沿后停机
23.2-回零时减速点有效 开始回零时直接开始反向低速回零,遇到原点开关信号下降沿后停机
23.3-回零时减速点无效,且过程中遇到正向限位开关 开始回零时,正向高速运行,遇到原点开关之前遇到正向限位信号,反向高速运行,遇到原点开关信号上升沿后,反向低速运行,遇到原点开关信号下降沿后停机
方式24 动作描述
注:不同的初始条件,动作不同
初始条件 回零动作
24.1-回零时减速点无效,且过程中未遇到正向限位开关 开始回零时,正向高速运行,遇到原点开关信号上升沿后,反向低速运行,遇到原点开关信号下降沿后,正向低速运行,遇到原点开关信号上升沿后停机
24.2-回零时减速点有效 开始回零时,反向低速运行,遇到原点开关信号下降沿后,正向低速运行,遇到原点开关信号上升沿后停机
24.3-回零时减速点无效,且过程中遇到正向限位开关 开始回零时,正向高速运行,遇到原点开关之前遇到正向限位信号,反向高速运行,遇到原点开关信号上升沿后,反向低速运行,遇到原点开关信号下降沿后, 正向低速运行,遇到原点开关信号上升沿后停机
方式25 动作描述
注:不同的初始条件,动作不同
初始条件 回零动作
25.1-回零时减速点无效,且过程中未遇到正向限位开关 开始回零时,正向高速运行,遇到原点开关信号上升沿后,正向低速运行,遇到原点开关信号下降沿后,反向低速运行,遇到原点开关信号上升沿后停机
25.2-回零时减速点有效 开始回零时,正向低速运行,遇到原点开关信号下降沿后,反向低速运行,遇到原点开关信号上升沿后停机
25.3-回零时减速点无效,且过程中遇到正向限位开关 开始回零时,正向高速运行,遇到原点开关之前遇到正向限位信号,反向高速运行,遇到原点开关信号上升沿后,正向低速运行,遇到原点开关信号下降沿后, 反向低速运行,遇到原点开关信号上升沿后停机
方式26 动作描述
注:不同的初始条件,动作不同
初始条件 回零动作
26.1-回零时减速点无效,且过程中未遇到正向限位开关 开始回零时,正向高速运行,遇到原点开关信号上升沿后,正向低速运行,遇到原点开关信号下降沿后,继续正向低速运行,遇到原点开关信号下降沿后停机
26.2-回零时减速点有效 开始回零时,正向低速运行,遇到原点开关信号下降沿后,继续正向低速运行,遇到原点开关信号下降沿后停机
26.3-回零时减速点无效,且过程中遇到正向限位开关 开始回零时,正向高速运行,遇到原点开关之前遇到正向限位信号,反向高速运行,遇到原点开关信号上升沿后,正向低速运行,遇到原点开关信号下降沿后,继续正向低速运行,遇到原点开关信号下降沿后停机

原点复归模式27-30

运动框图
定位信号
原点 减速点
原点开关信号 原点开关信号
方式27 动作描述
注:不同的初始条件,动作不同
初始条件 回零动作
27.1-回零时减速点无效,且过程中未遇到正向限位开关 开始回零时,反向高速运行,遇到原点开关信号上升沿后,正向低速运行,遇到原点开关信号下降沿后停机
27.2-回零时减速点有效 开始回零时直接开始正向低速回零,遇到原点开关信号下降沿后停机
27.3-回零时减速点无效,且过程中遇到反向限位开关 开始回零时,反向高速运行,遇到原点开关之前遇到反向限位信号,正向高速运行,遇到原点开关信号上升沿后,正向低速运行,遇到原点开关信号下降沿后停机
方式28 动作描述
注:不同的初始条件,动作不同
初始条件 回零动作
28.1-回零时减速点无效,且过程中未遇到反向限位开关 开始回零时,反向高速运行,遇到原点开关信号上升沿后,正向低速运行,遇到原点开关信号下降沿后,反向低速运行,遇到原点开关信号上升沿后停机
28.2-回零时减速点有效 开始回零时,正向低速运行,遇到原点开关信号下降沿后,反向低速运行,遇到原点开关信号上升沿后停机
28.3-回零时减速点无效,且过程中遇到反向限位开关 开始回零时,反向高速运行,遇到原点开关之前遇到反向限位信号,正向高速运行,遇到原点开关信号上升沿后,正向低速运行,遇到原点开关信号下降沿后, 反向低速运行,遇到原点开关信号上升沿后停机
方式29 动作描述
注:不同的初始条件,动作不同
初始条件 回零动作
29.1-回零时减速点无效,且过程中未遇到反向限位开关 开始回零时,反向高速运行,遇到原点开关信号上升沿后,反向低速运行,遇到原点开关信号下降沿后,正向低速运行,遇到原点开关信号上升沿后停机
29.2-回零时减速点有效 开始回零时,反向低速运行,遇到原点开关信号下降沿后,正向低速运行,遇到原点开关信号上升沿后停机
29.3-回零时减速点无效,且过程中遇到反向限位开关 开始回零时,反向高速运行,遇到原点开关之前遇到反向限位信号,正向高速运行,遇到原点开关信号上升沿后,反向低速运行,遇到原点开关信号下降沿后, 正向低速运行,遇到原点开关信号上升沿后停机
方式30 动作描述
注:不同的初始条件,动作不同
初始条件 回零动作
30.1-回零时减速点无效,且过程中未遇到反向限位开关 开始回零时,反向高速运行,遇到原点开关信号上升沿后,反向低速运行,遇到原点开关信号下降沿后,继续反向低速运行,遇到原点开关信号下降沿后停机
30.2-回零时减速点有效 开始回零时,反向低速运行,遇到原点开关信号下降沿后,继续反向低速运行,遇到原点开关信号下降沿后停机
30.3-回零时减速点无效,且过程中遇到反向限位开关 开始回零时,反向高速运行,遇到原点开关之前遇到反向限位信号,正向高速运行,遇到原点开关信号上升沿后,反向低速运行,遇到原点开关信号下降沿后,继续反向低速运行,遇到原点开关信号下降沿后停机

方式31-32:保留

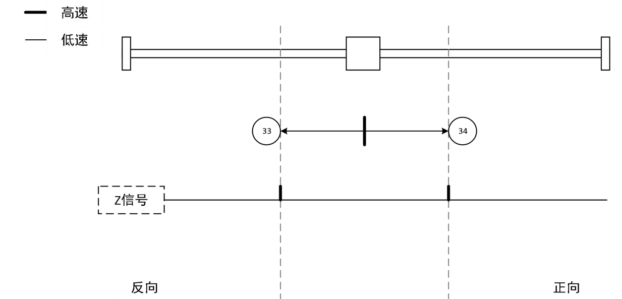
原点复归模式33-34

运动框图
定位信号
原点 减速点
Z相信号
方式33 动作描述
33-反向低速运行,遇到第一个Z相信号停机
方式34 动作描述
34-正向低速运行,遇到第一个Z相信号停机

 

原点复归模式35

运动框图
定位信号
原点 减速点
当前位置
方式35 动作描述
35-以当前位置为原点

 

原点复归模式 -1

运动框图
定位信号
原点 减速点
Z相信号 机械极限位置
方式-1 动作描述
-1 :电机首先反向高速运行,撞到机械极限位置后,如果转矩达到转矩限制值,速度在零速附近,且此状态如果保持一定时间,判断为轴到达机械极限位置,电机正向低速运行,之后遇到第一个Z相信号停机。

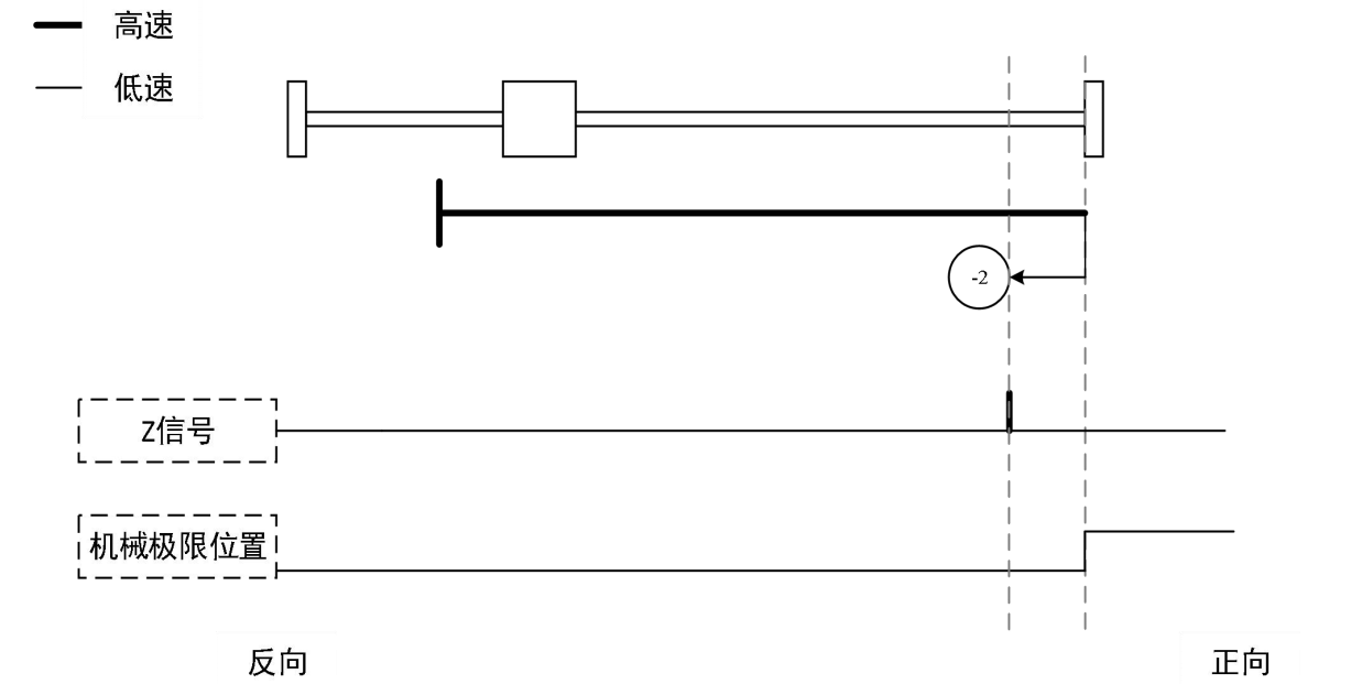
原点复归模式-2

运动框图
定位信号
原点 减速点
Z相信号 机械极限位置
方式-2 动作描述
-2 :电机首先正向高速运行,撞到机械极限位置后,如果转矩达到转矩限制值,速度在零速附近,且此状态如果保持一定时间,判断为到达机械极限位置,电机反向低速运行,之后遇到第一个Z相信号停机。